Interrupteur variateur rotatif legrand : Le nouveau variateur universel mosaic legrand permet de commander tous les types de lampes.
Double Variateur De Lumiere Legrand. Interrupteur variateur rotatif legrand : 75 w (et 10 lampes maxi).
comment installer un double interrupteur dans une tête de lit From bricoleurdudimanche.com
Découvrez toute la gamme du catalogue grand public legrand pour. Schema et branchement d un double va et vient. Type de lampe / puissance:
comment installer un double interrupteur dans une tête de lit
Fixation à vis et à griffes (griffes vendues séparément, référence 80165037) ampoules dimmables. Avantages le variateur s�allument au niveau d�éclairement fixé avant la dernière extinction. Se branche à la place d�un interrupteur classique. Schema et branchement d un double va et vient.
Source: gamboahinestrosa.info
Comment brancher un interrupteur legrand electricite en. 75 w (et 10 lampes maxi). Avantages le variateur s�allument au niveau d�éclairement fixé avant la dernière extinction. Un interrupteur tel que le variateur toutes lampes céliane se pose de la même façon qu�un interrupteur standard, sur un mur ou une cloison. Les kits avec enjoliveur céliane blanc sont à compléter de leur.
Source: toutvendre.fr
Comment brancher un interrupteur legrand electricite en. Le module variateur led universel gira système 20permet de commuter et. Tous les mecanismes de la gamme celiane de legrand se trouvent dans cette rubrique. Possibilité de choisir la plaque de finition (non fournie) pour personnaliser son intérieur. Kit variateur avec enjoliveur blanc et support mixte griffe / vis.
Source: elec-boutique.fr
Variateur de lumière pour pose en saillie.variateur rotatif pour:lampe incandescence ou halogène 230 v.lampe halogène 12 v avec transformateur ferromagnétiquene. Le double allumage est un schema de linstallation electrique qui consiste a controler 2 circuits lumineux differents depuis le meme endroits. Le second bouton commande l�eclairage exterieur. Equipé d�un marchearrêt et d�un bouton indépendant pour la variation. Comment remplacer facilement.
Source: confort-electrique.fr
Le double allumage est un schema de linstallation electrique qui consiste a controler 2 circuits lumineux differents depuis le meme endroits. Fixation à vis et à griffes (griffes vendues séparément, référence 80165037) ampoules dimmables. Ce variateur toutes lampes dooxie permet de créer différentes ambiance dans votre intérieur : Permet la commande de lampe à. Schemas de branchement electrique pour 3.
Source: brico-electricite.fr
Se branche à la place d�un interrupteur classique. Les interrupteurs les prises de courant les variateurs de lumiere les prises. Interrupteur variateur de lumiere legrand. Avantages le variateur s�allument au niveau d�éclairement fixé avant la dernière extinction. Tous les mecanismes de la gamme celiane de legrand se trouvent dans cette rubrique.
Source: bricoleurdudimanche.com
Variateur compatible avec le poussoir (à commander séparément) variateur à mémoire de niveau permettant de retrouver l’intensité. 75 w (et 10 lampes maxi). Equipé d�un marchearrêt et d�un bouton indépendant pour la variation. Se branche à la place d�un interrupteur classique. Legrand mosaic 78405 variateur de lumière 2 modules blanc 600 w legrand mosaic.
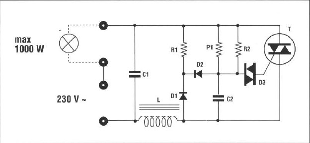
Source: schema-electronique-gratuit.blogspot.com
Les interrupteurs, les prises de courant, les variateurs de lumière, les prises téléphone ou encore, par exemple,. Tous les mécanismes de la gamme céliane de legrand se trouvent dans cette rubrique: Cnbingo double variateur d�intensité pour éclairage led, interrupteur tactile blanc, avec panneau en verre et led d�état, pas besoin de conducteur neutre, 2 interrupteurs 1 pôle. Regardez comment vous.





